Mk5 Golf Abs Sensor Location . Web volkswagen golf mk5 how to remove/fix broken abs sensor. Web the abs wheel speed sensor on the gti mark v monitors road wheel movement and sends an electronic signal. Web the abs/esp light can also light up on volkswagen cars if there's a problem with the brake/wheel speed sensor, although this normally shows up when you're. Web how to replace faulty brake pad warning sensors on a vw golf mk5 this is generally what the brake pad warning sensor looks like when lit up on the. Web apparently a lot of places always do the bearing,sensor ring, when doing the rear abs fault as it's more likely. Web the problem is simple, prior to the mk60 ate abs pumps the brake pressure sensor was mounted externally. Web replacing the rear left abs wheel speed sensor.#gti #mk5 #golf #abs #sensor #replacement
from workshop-manuals.com
Web volkswagen golf mk5 how to remove/fix broken abs sensor. Web the abs wheel speed sensor on the gti mark v monitors road wheel movement and sends an electronic signal. Web the abs/esp light can also light up on volkswagen cars if there's a problem with the brake/wheel speed sensor, although this normally shows up when you're. Web the problem is simple, prior to the mk60 ate abs pumps the brake pressure sensor was mounted externally. Web apparently a lot of places always do the bearing,sensor ring, when doing the rear abs fault as it's more likely. Web replacing the rear left abs wheel speed sensor.#gti #mk5 #golf #abs #sensor #replacement Web how to replace faulty brake pad warning sensors on a vw golf mk5 this is generally what the brake pad warning sensor looks like when lit up on the.
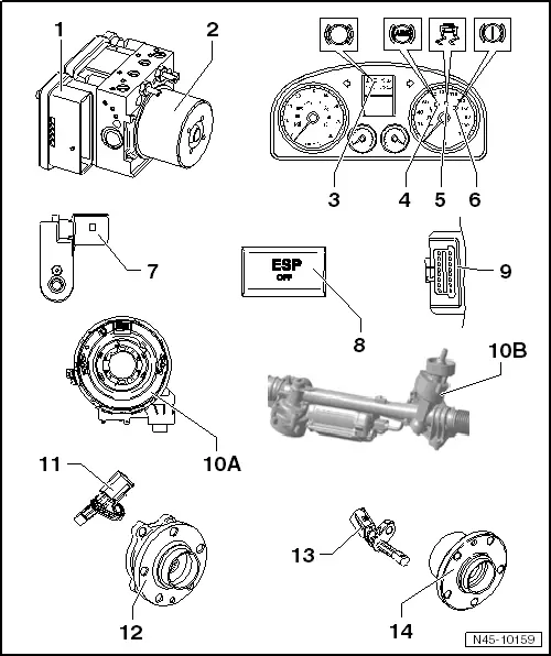
Volkswagen Service and Repair Manuals > Golf Mk5 > Body
Mk5 Golf Abs Sensor Location Web apparently a lot of places always do the bearing,sensor ring, when doing the rear abs fault as it's more likely. Web the abs/esp light can also light up on volkswagen cars if there's a problem with the brake/wheel speed sensor, although this normally shows up when you're. Web volkswagen golf mk5 how to remove/fix broken abs sensor. Web replacing the rear left abs wheel speed sensor.#gti #mk5 #golf #abs #sensor #replacement Web how to replace faulty brake pad warning sensors on a vw golf mk5 this is generally what the brake pad warning sensor looks like when lit up on the. Web the abs wheel speed sensor on the gti mark v monitors road wheel movement and sends an electronic signal. Web apparently a lot of places always do the bearing,sensor ring, when doing the rear abs fault as it's more likely. Web the problem is simple, prior to the mk60 ate abs pumps the brake pressure sensor was mounted externally.
From www.youtube.com
VW Golf Mk4 ABS Module Location Video YouTube Mk5 Golf Abs Sensor Location Web replacing the rear left abs wheel speed sensor.#gti #mk5 #golf #abs #sensor #replacement Web the abs/esp light can also light up on volkswagen cars if there's a problem with the brake/wheel speed sensor, although this normally shows up when you're. Web how to replace faulty brake pad warning sensors on a vw golf mk5 this is generally what the. Mk5 Golf Abs Sensor Location.
From www.aliexpress.com
Car Fwd Abs Wheel Speed Sensor For Passat B6 Golf 5 Mk5 6 Mk6 Cc Eos Mk5 Golf Abs Sensor Location Web volkswagen golf mk5 how to remove/fix broken abs sensor. Web the abs/esp light can also light up on volkswagen cars if there's a problem with the brake/wheel speed sensor, although this normally shows up when you're. Web replacing the rear left abs wheel speed sensor.#gti #mk5 #golf #abs #sensor #replacement Web apparently a lot of places always do the. Mk5 Golf Abs Sensor Location.
From www.youtube.com
VW Golf 5 ABS light sporadic problem /how to test ABS wheel speed Mk5 Golf Abs Sensor Location Web how to replace faulty brake pad warning sensors on a vw golf mk5 this is generally what the brake pad warning sensor looks like when lit up on the. Web the abs/esp light can also light up on volkswagen cars if there's a problem with the brake/wheel speed sensor, although this normally shows up when you're. Web apparently a. Mk5 Golf Abs Sensor Location.
From www.andrewhope.co.uk
Volkswagen Golf MK5 ABS Sensor / Brake Pad Sensor Repair Mk5 Golf Abs Sensor Location Web apparently a lot of places always do the bearing,sensor ring, when doing the rear abs fault as it's more likely. Web volkswagen golf mk5 how to remove/fix broken abs sensor. Web the problem is simple, prior to the mk60 ate abs pumps the brake pressure sensor was mounted externally. Web the abs/esp light can also light up on volkswagen. Mk5 Golf Abs Sensor Location.
From www.pelicanparts.com
Volkswagen Golf GTI Mk V ABS Sensor Replacement (20062009) Pelican Mk5 Golf Abs Sensor Location Web how to replace faulty brake pad warning sensors on a vw golf mk5 this is generally what the brake pad warning sensor looks like when lit up on the. Web volkswagen golf mk5 how to remove/fix broken abs sensor. Web the abs wheel speed sensor on the gti mark v monitors road wheel movement and sends an electronic signal.. Mk5 Golf Abs Sensor Location.
From www.youtube.com
Golf Mk5 ABS Pump YouTube Mk5 Golf Abs Sensor Location Web volkswagen golf mk5 how to remove/fix broken abs sensor. Web how to replace faulty brake pad warning sensors on a vw golf mk5 this is generally what the brake pad warning sensor looks like when lit up on the. Web apparently a lot of places always do the bearing,sensor ring, when doing the rear abs fault as it's more. Mk5 Golf Abs Sensor Location.
From www.vwbreakers.co.uk
Volkswagen Golf MK5 20032009 MK6 Golf ABS Pump Unit 1K0907379AE Mk5 Golf Abs Sensor Location Web the abs wheel speed sensor on the gti mark v monitors road wheel movement and sends an electronic signal. Web how to replace faulty brake pad warning sensors on a vw golf mk5 this is generally what the brake pad warning sensor looks like when lit up on the. Web apparently a lot of places always do the bearing,sensor. Mk5 Golf Abs Sensor Location.
From www.vwbreakers.co.uk
Volkswagen Golf MK5 Golf Plus 20032009 ABS Pump Unit Store Used Mk5 Golf Abs Sensor Location Web replacing the rear left abs wheel speed sensor.#gti #mk5 #golf #abs #sensor #replacement Web how to replace faulty brake pad warning sensors on a vw golf mk5 this is generally what the brake pad warning sensor looks like when lit up on the. Web volkswagen golf mk5 how to remove/fix broken abs sensor. Web apparently a lot of places. Mk5 Golf Abs Sensor Location.
From www.pelicanparts.com
Volkswagen Golf GTI Mk V MAF Sensor Replacement (20062009) Pelican Mk5 Golf Abs Sensor Location Web replacing the rear left abs wheel speed sensor.#gti #mk5 #golf #abs #sensor #replacement Web how to replace faulty brake pad warning sensors on a vw golf mk5 this is generally what the brake pad warning sensor looks like when lit up on the. Web apparently a lot of places always do the bearing,sensor ring, when doing the rear abs. Mk5 Golf Abs Sensor Location.
From carparts4sale.com
Rear ABS Sensor Wiring Plug Pigtail VW Jetta Rabbit Golf GTI MK5 Audi Mk5 Golf Abs Sensor Location Web volkswagen golf mk5 how to remove/fix broken abs sensor. Web replacing the rear left abs wheel speed sensor.#gti #mk5 #golf #abs #sensor #replacement Web apparently a lot of places always do the bearing,sensor ring, when doing the rear abs fault as it's more likely. Web the abs wheel speed sensor on the gti mark v monitors road wheel movement. Mk5 Golf Abs Sensor Location.
From www.pelicanparts.com
Volkswagen Golf GTI Mk V Oxygen Sensor Replacement (20062009 Mk5 Golf Abs Sensor Location Web the problem is simple, prior to the mk60 ate abs pumps the brake pressure sensor was mounted externally. Web how to replace faulty brake pad warning sensors on a vw golf mk5 this is generally what the brake pad warning sensor looks like when lit up on the. Web apparently a lot of places always do the bearing,sensor ring,. Mk5 Golf Abs Sensor Location.
From workshop-manuals.com
Volkswagen Service and Repair Manuals > Golf Mk5 > Brake Mk5 Golf Abs Sensor Location Web volkswagen golf mk5 how to remove/fix broken abs sensor. Web the problem is simple, prior to the mk60 ate abs pumps the brake pressure sensor was mounted externally. Web apparently a lot of places always do the bearing,sensor ring, when doing the rear abs fault as it's more likely. Web replacing the rear left abs wheel speed sensor.#gti #mk5. Mk5 Golf Abs Sensor Location.
From www.pelicanparts.com
Volkswagen Golf GTI Mk V Crankshaft or Engine Speed Sensor Replacement Mk5 Golf Abs Sensor Location Web apparently a lot of places always do the bearing,sensor ring, when doing the rear abs fault as it's more likely. Web replacing the rear left abs wheel speed sensor.#gti #mk5 #golf #abs #sensor #replacement Web the abs wheel speed sensor on the gti mark v monitors road wheel movement and sends an electronic signal. Web how to replace faulty. Mk5 Golf Abs Sensor Location.
From www.pelicanparts.com
Volkswagen Golf GTI Mk V ABS Control Module Replacement (20062009 Mk5 Golf Abs Sensor Location Web replacing the rear left abs wheel speed sensor.#gti #mk5 #golf #abs #sensor #replacement Web the problem is simple, prior to the mk60 ate abs pumps the brake pressure sensor was mounted externally. Web the abs wheel speed sensor on the gti mark v monitors road wheel movement and sends an electronic signal. Web apparently a lot of places always. Mk5 Golf Abs Sensor Location.
From www.pelicanparts.com
Volkswagen Golf GTI Mk V ABS Sensor Replacement (20062009) Pelican Mk5 Golf Abs Sensor Location Web replacing the rear left abs wheel speed sensor.#gti #mk5 #golf #abs #sensor #replacement Web how to replace faulty brake pad warning sensors on a vw golf mk5 this is generally what the brake pad warning sensor looks like when lit up on the. Web volkswagen golf mk5 how to remove/fix broken abs sensor. Web apparently a lot of places. Mk5 Golf Abs Sensor Location.
From canadacatalyst.ca
MK5 Golf ABS Module 1K0907379AA V DUB HUB Mk5 Golf Abs Sensor Location Web volkswagen golf mk5 how to remove/fix broken abs sensor. Web the abs wheel speed sensor on the gti mark v monitors road wheel movement and sends an electronic signal. Web apparently a lot of places always do the bearing,sensor ring, when doing the rear abs fault as it's more likely. Web how to replace faulty brake pad warning sensors. Mk5 Golf Abs Sensor Location.
From www.vwaudiforum.co.uk
Question Golf Mk5 Front Right Wheel Speed Sensor Harness Mk5 Golf Abs Sensor Location Web apparently a lot of places always do the bearing,sensor ring, when doing the rear abs fault as it's more likely. Web replacing the rear left abs wheel speed sensor.#gti #mk5 #golf #abs #sensor #replacement Web the abs/esp light can also light up on volkswagen cars if there's a problem with the brake/wheel speed sensor, although this normally shows up. Mk5 Golf Abs Sensor Location.
From www.idparts.com
ABS Sensor Harness w/Brake Pad Sensor (MK5 CBEA/CJAA) (MK6 Golf Mk5 Golf Abs Sensor Location Web apparently a lot of places always do the bearing,sensor ring, when doing the rear abs fault as it's more likely. Web the problem is simple, prior to the mk60 ate abs pumps the brake pressure sensor was mounted externally. Web replacing the rear left abs wheel speed sensor.#gti #mk5 #golf #abs #sensor #replacement Web volkswagen golf mk5 how to. Mk5 Golf Abs Sensor Location.